Термодатчик HART NCS-TT306H-R1 для монтажа на рейку
- Microcyber
- Китай
- В наличии
- 500 комплектов в месяц
Интеллектуальный датчик температуры серии NCS-TT306HR1 представляет собой двухканальный датчик температуры, монтируемый на DIN-рейку, отличающийся высокой надежностью, высокой долговременной стабильностью, высокой точностью и низким температурным дрейфом. Оснащенный расширенными функциями диагностики, он разработан для удовлетворения требований к измерениям на критически важных этапах технологического процесса, что делает его незаменимым полевым устройством для управления технологическими процессами.
1. Одноканальный RTD/TC/Ом/мВ до 4-20 мА и HART
2. Обнаружение неисправностей датчиков и оборудования, соответствующее стандарту NE107.
3. Сертифицировано по уровню SIL2/SIL3 в соответствии со стандартом IEC 61508.
Термодатчик HART NCS-TT306H-R1 для монтажа на рейку Обзор продукта
Интеллектуальный датчик температуры серии NCS-TT306HR1 представляет собой двухканальный датчик температуры, монтируемый на DIN-рейку, отличающийся высокой надежностью, высокой долговременной стабильностью, высокой точностью и низким температурным дрейфом. Оснащенный расширенными функциями диагностики, он разработан для удовлетворения требований к измерениям на критически важных этапах технологического процесса, что делает его незаменимым полевым устройством для управления технологическими процессами.
Он поддерживает широкий спектр датчиков, включая различные типы терморезисторов (RTD), термопар (TC), резисторов ($\Омега$), а также входное напряжение (мВ) и совместимость с протоколом связи 4-20 мА + HART.
Изделие прошло многочисленные международные сертификации, включая взрывозащищенность, CE, EMC и SIL2, и широко применяется в таких отраслях промышленности, как нефтяная, химическая, энергетическая и металлургическая.
Термодатчик HART NCS-TT306H-R1 для монтажа на рейку Функции
Функциональная безопасность (SIL): Сертифицировано по уровням SIL2/SIL3 в соответствии со стандартом IEC 61508:2010, что обеспечивает максимальную надежность для критически важных систем безопасности, оснащенных контрольно-измерительными приборами.
Универсальность двухканального подключения:
Имеет 6-контактную двухканальную конструкцию, поддерживающую различные сигналы от терморезисторов, термопар, резисторов и напряжений с гибкими комбинациями входных сигналов.
Исключительная точность:
Включает технологию согласования передатчика и датчика для повышения точности системы, обеспечивая точность ±0,1℃ (цифровая) для Pt100 и точность аналогового выходного сигнала 0,03%.
Расширенная диагностика:
Соответствует стандартам NAMUR NE107, обеспечивая комплексное обнаружение неисправностей датчиков и оборудования для прогнозирующего технического обслуживания и устранения неполадок.
Бесшовная системная интеграция:
Предоставляет исчерпывающие файлы описания устройств EDD, FDI и DTM, обеспечивая полную совместимость с различными системами DCS.
Безопасность:
Соответствует требованиям искробезопасности для безопасной эксплуатации в опасных зонах.
Размеры термодатчика HART NCS-TT306H-R1 для монтажа на рейку.

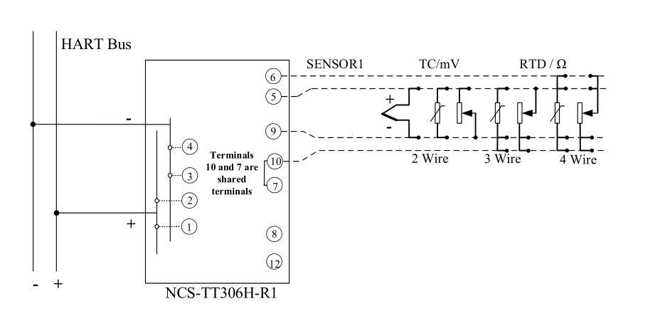
Термодатчик HART NCS-TT306H-R1 для монтажа на рейкуСхема электропроводки:

Установка
Закрепите датчик температуры на корпусе датчика или направляющей рейке с помощью двух винтов, пропустив их через отверстия для позиционирования.


Технические характеристики
6.1 Основные параметры
Интерфейс шины
4–20 мА (поддерживает обратную полярность тока) + HART 7 (поддерживает импульсный режим)
Питание шины
10-45 В постоянного тока/10-30 В постоянного тока (искробезопасный/SIL)
13-45 В постоянного тока/13-30 В постоянного тока (искробезопасный/SIL) с ЖК-дисплеем
Проводка
Метод
2, 3, 4 провода
Входной сигнал
Сигнал сопротивления: 0–500 Ом, 0–2000 Ом, 0–4000 Ом, 0–40000 Ом.
Терморезисторный датчик: Cu50, Cu50_GOST, Cu100, Cu100_GOST
Pt50_GOST、Callendar_Van_Dusen(PT100)、Pt100、Pt100_GOST、Pt200、
Pt500, Pt1000, Ni50, Ni100, Ni120, Ni1000;
Сигнал в мВ: -100 мВ~100 мВ;
Термопарный датчик: B、E、J、K、N、R、S、T、L_GOST、A(W5ReW20Re)、
C (W5ReW26Re), D (W3ReW25Re), NiCrAuFe, CuAuFe
Протокол
Версия
ХАРТ 7
Количество
Каналы
Одноканальный/двухканальный
Вход
Импеданс
≥10 МОм
Электрооборудование
Изоляция
2 кВ переменного тока/50 В переменного тока
Эффект напряжения
±0,005%/V
ЖК-дисплей
Наголовное крепление: поддерживает ЖК-дисплей или отсутствие дисплея (опционально)
Монтаж рельсов: нет дисплея
Ключ
Операция
Параметры настройки кнопки поддержки
Работающий
Температура
-40 (-55)℃~85℃ (с дисплеем)
-20 ~ 70℃ (без дисплея)
Влажность
Диапазон
(5–95) % относительной влажности
Хранилище
Температура
-40 ~ 85℃
Время начала
≤10 секунд
Время обновления
0,8–1,3 с
Демпфирование
Корректирование
Постоянная времени 0–32 секунды
http://www.microcybers.com
~ 33 ~
Сигнал тревоги
Нижний предел тока насыщения: [3,75-4,0] мА, значение по умолчанию 3,8 мА.
Верхний предел тока насыщения: (20-20,8] мА, значение по умолчанию 20,5 мА.
Нижний предел тока срабатывания сигнализации: [3,5-3,7] мА, значение по умолчанию 3,6 мА.
Верхний предел тока срабатывания сигнализации: [21,0-23,0] мА, значение по умолчанию 21,75 мА.
Текущий
Точность
0,05%, температурный дрейф 0,005%/℃
Эффект напряжения
±0,005%/V
Терминал
крутящий момент
0,4 Нм
Проволока
Технические характеристики
1,5 мм²
Антивибрационная система
Технические характеристики
2-25 Гц: ±1,6 мм; 25-100 Гц: ±4 г
Защита
Уровень
Клемма IP00, корпус модуля IP20, корпус направляющей IP20
Масса
Модуль ≤ 75 г; видеокарта: ≤ 50 г; направляющая шина ≤ 100 г
Двухканальный термометр HART для установки на DIN-рейку Часто задаваемые вопросы
В: Могу ли я получить бесплатное электронное руководство?
А: Да, если вам это нужно, пожалуйста, свяжитесь с нами.
В: Можете ли вы предоставлять услуги OEM?
А: Да, мы можем, например, для коммуникационных плат, а также можем предоставить набор инструментов для разработки полевых шин.
В: Как выполнить калибровку?Термодатчик HART NCS-TT306H-R1 для монтажа на рейку?
A: Регулировка входного сигнала датчика: цифровая интерпретация входных сигналов передатчиком; регулировка выходного сигнала: калибровка передатчика по эталонной шкале 4-20 мА; калибровка точности передатчика: построение характеристической кривой.
В: Какие сервисные функции поддерживает передатчик?
A: Сброс устройства: программное обеспечение перезагружает устройство; Восстановление заводских настроек: после выполнения все данные конфигурации восстанавливаются до заводских значений; Сохранение заводских настроек: после выполнения текущая конфигурация сохраняется до заводских значений. Восстановление заводских настроек восстановит сохраненную конфигурацию на данный момент; Восстановление заводских настроек: после выполнения все данные конфигурации восстанавливаются до заводского состояния.








